Descubra como o Transceptor Alpha transforma um simples sensor magnético em um sistema de alarme de perímetro robusto, monitorando pontos de acesso a quilômetros de distância.
Imagine um galpão onde você guarda tratores e insumos valiosos, ou um silo de grãos no limite da sua propriedade, localizado a algumas centenas de metros ou até quilômetros da casa sede. Como garantir a segurança desses locais, sabendo imediatamente se uma porta foi aberta, especialmente se não há energia elétrica disponível no local? A solução tradicional, de fato, envolveria custos proibitivos com cabeamento subterrâneo. Para resolver esse desafio, a Ouzer apresenta a solução definitiva. Utiliza o Transceptor Alpha V4, você consegue transformar um simples sensor magnético (Reed Switch) em um sistema de alarme de perímetro robusto.
O que é um Sensor Magnético (Reed Switch)?
Antes de detalhar a solução, é importante entender o componente principal. O “Sensor Magnético”, tecnicamente conhecido como “Reed Switch”, é o sensor de porta e janela mais comum e confiável do mercado. Ele é um dispositivo passivo, ou seja, não precisa de alimentação própria para funcionar.
Seu funcionamento é elegantemente simples: ele consiste em duas partes. A primeira é uma pequena ampola de vidro selada (o interruptor) que contém duas lâminas metálicas finas. A segunda parte é um ímã permanente (instalado na parte móvel, como a porta). Quando uma porta por exemplo está fechada, o campo magnético do ímã atrai as lâminas, mantendo-as em contato físico. No entanto, quando a porta se abre, o ímã se afasta. Sem o campo magnético, as lâminas se separam instantaneamente, abrindo ou fechando o circuito. É esse simples sinal de “contato seco” que usaremos para disparar nosso sistema de longo alcance. Por não ter partes mecânicas complexas, ele é extremamente durável e imune a alarmes falsos.
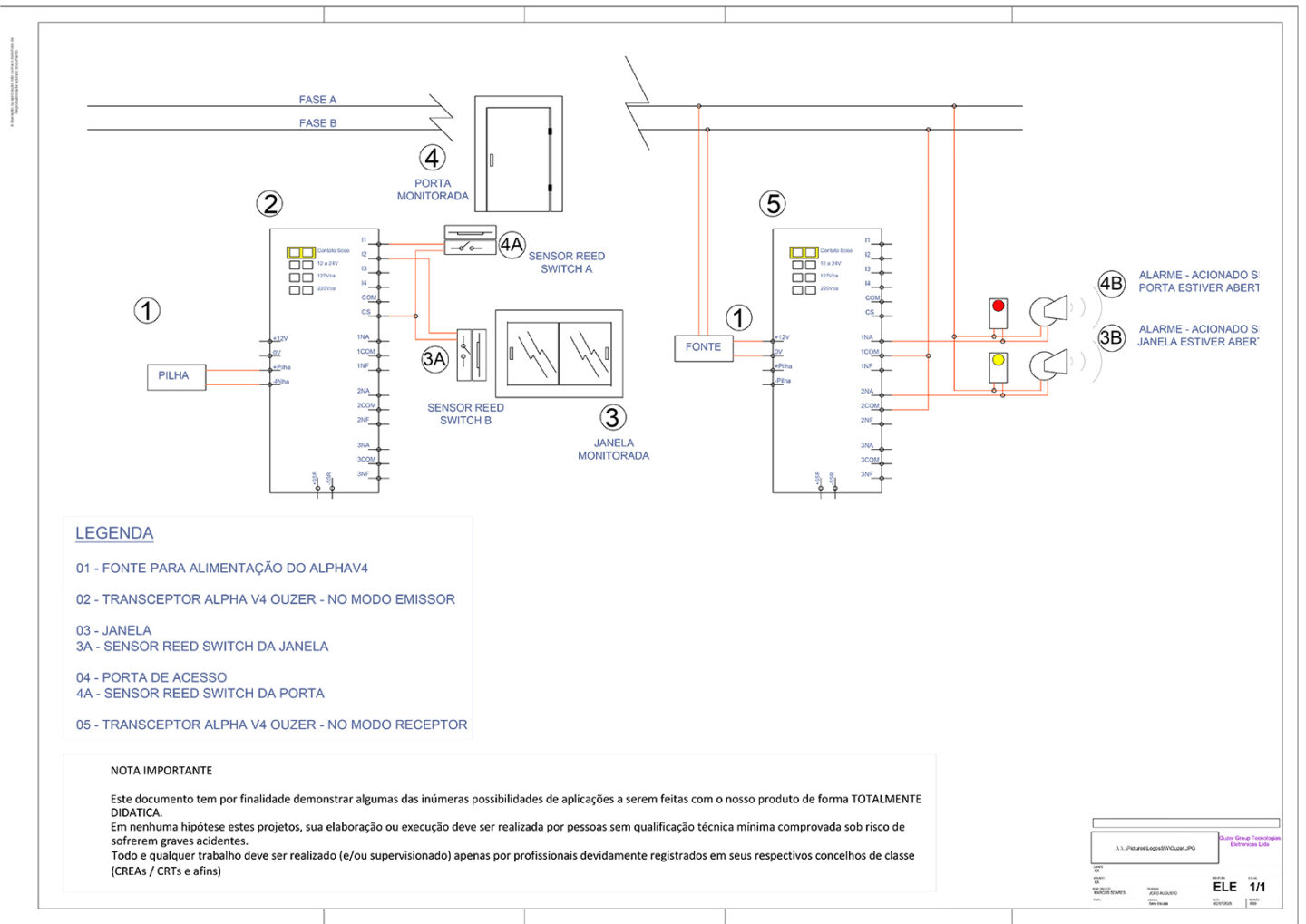
Objetivo do Sensor de Abertura Sem Fio de Longo Alcance
O objetivo desta aplicação é implementar um sistema de monitoramento de segurança sem fio, de longo alcance e alimentado por pilhas. O sistema deve ser capaz de vigiar dois pontos de acesso distintos (uma porta e uma janela) em um local remoto. Além disso, ele deve enviar alertas independentes para a sede, acionando um alarme e um LED específico para cada ponto no momento exato da violação.
Descrição Funcional (Lógica Padrão)
Esta aplicação demonstra a solução de monitoramento mais direta. No local remoto (galpão), um Transceptor Emissor (T1) opera com pilhas. Conectamos a porta do galpão à Entrada 1 (I1) e a janela à Entrada 2 (I2). Para esta lógica, utilizamos sensores magnéticos do tipo Normalmente Aberto (NA), que, portanto, fecham o circuito no momento em que a porta/janela é aberta. Na Sede, o Transceptor Receptor (T2) se conecta aos dispositivos de alarme.

Vamos detalhar o funcionamento passo a passo:
Estado 1: Operação Normal (Porta e Janela Fechadas)
Com os sensores magnéticos da porta e da janela fechados, seus contatos NA estão abertos. Portanto, as entradas I1 e I2 do T1 estão desativadas. O T1 permanece em standby (economizando pilhas), sem transmitir. Na Sede, o T2 não recebe nenhum sinal. Seus relés 1 e 2 ficam em repouso, com os contatos 1NA e 2NA ABERTOS. Como resultado, os alarmes permanecem em silêncio.
Estado 2: Violação (Porta ou Janela Aberta)
Vamos supor que a porta é aberta. O Sensor Magnético 1 fecha o circuito, ativando a entrada I1 do T1. Imediatamente, o T1 “acorda” e transmite o sinal “Canal 1 ATIVO”. O T2, por sua vez, recebe o sinal e energiza seu relé 1. O contato 1NA fecha, completando o circuito do Alarme 1, que dispara. É importante notar que o Alarme 2 permanece desligado, pois a entrada I2 continua inativa.
Agora, se a janela for aberta (mesmo com a porta fechada), o Sensor 2 ativa a entrada I2. Isso faz com que o T1 envie um sinal “Canal 2 ATIVO”. O T2, então, recebe este comando distinto e aciona apenas o Alarme 2, demonstrando a independência total dos canais.
Lista de Materiais Sugeridos
- Item 1: Transceptor Alpha V4 (Quantidade: 2). Modelo A8000-4CH recomendado, pois a aplicação exige 2 canais.
- Item 2: Suporte de Pilhas (Quantidade: 1). Especificação: 4x Pilhas AA Alcalinas (para T1).
- Item 3: Fonte de Alimentação 12Vcc (Quantidade: 1). Especificação: 12Vcc / 1A (para T2).
- Item 4: Sensores Magnéticos (Reed Switch) com fio (Quantidade: 2). (Tipo NA conforme diagrama).
- Item 5: Dispositivos de Alarme 12Vcc (Quantidade: 2). Especificação: Sirene, buzzer ou sinaleiro LED.
O Equipamento por Trás do Sensor de Abertura Sem Fio de Longo Alcance
A capacidade de estender a segurança a pontos antes inalcançáveis é possível graças às características únicas do Transceptor Alpha V4.
- A Vantagem Decisiva (Autonomia com Pilhas): De fato, a capacidade do Transceptor Alpha de operar por até 10 anos em standby com 4 pilhas alcalinas (modelos A3000) é o que torna esta aplicação viável. Ela elimina completamente a necessidade de pontos de energia em locais remotos.
- Longo Alcance Real: O modelo A8000, por exemplo, oferece um alcance de até 8 km com a antena padrão, ou até 56 km com uma antena Yagi externa. Isso permite monitorar os pontos mais distantes.
- Múltiplos Sensores, Um Transmissor: O modelo Alpha V4 (com 4 canais) permite que um único transmissor a pilhas monitore até 4 sensores independentes (ex: porta 1, porta 2, janela, sensor PIR).
- Robustez para o Campo (IP65): O gabinete vedado protege o T1 contra poeira e umidade.
- Confiabilidade Always ON™: A tecnologia exclusiva da Ouzer garante que o equipamento não trave por panes lógicas, algo essencial para sistemas de monitoramento.
Estenda sua Segurança a Todos os Perímetros
Dessa forma, transformar um galpão isolado ou uma porteira distante em um ponto seguro e monitorado não precisa ser caro ou complexo. A solução de sensor de abertura sem fio de longo alcance com o Transceptor Alpha V4 resolve os dois maiores desafios da segurança remota: distância e energia. Ao combinar um alcance de quilômetros com uma autonomia de anos operando a pilhas, o Alpha V4 oferece a flexibilidade de criar tanto um sistema de alerta direto quanto um sistema supervisionado “fail-safe”.
Proteja 100% do seu patrimônio. Fale com nossos especialistas e descubra como integrar seus portões e galpões distantes ao seu sistema de segurança. seu sistema de segurança.