Aprenda como o Transceptor Alpha cria um sistema inteligente e com múltiplos intertravamentos de segurança para garantir energia contínua em sua fazenda, indústria ou condomínio.
Imagine a cena: em um dia de produção intensa, uma forte chuva causa uma queda de energia e interrompe suas máquinas. Ou talvez, em sua propriedade rural, uma falha de fase durante a madrugada desligue equipamentos essenciais. Em todas essas situações, cada minuto de inatividade representa um prejuízo significativo. Por isso, apresentamos a solução definitiva: o acionamento automático de gerador sem fio.
Para resolver esse problema de forma robusta, a Ouzer desenvolveu uma aplicação de engenharia que utiliza o Transceptor Alpha. Este guia completo, portanto, explica como a tecnologia funciona, suas vantagens e como é simples proteger seu negócio contra os imprevistos da rede elétrica com máxima segurança.
O que é um Sistema de Acionamento Automático com Intertravamento?
Basicamente, um sistema de acionamento automático de gerador sem fio monitora a rede elétrica principal. Ao detectar uma falha, ele comanda a partida do gerador de forma instantânea, sem qualquer intervenção humana. Os conceitos-chave são:
- QTA (Quadro de Transferência Automática): Trata-se do painel que gerencia a transição segura entre a energia da concessionária e a do gerador.
- Intertravamento: Este é o conceito mais crítico. Consiste em um conjunto de travas de segurança que garantem que a energia da rua e a do gerador nunca se encontrem, evitando acidentes e a queima de equipamentos.
A solução da Ouzer, em suma, atua como o gatilho inteligente que comanda toda essa lógica segura.
Vantagens do Acionamento Automático de Gerador Sem Fio
Automatizar a partida do seu gerador com o sistema sem fio da Ouzer oferece benefícios cruciais para a continuidade e segurança da sua operação.
- Continuidade Operacional 24/7: Primeiramente, o sistema garante que sua operação nunca pare, protegendo processos produtivos e equipamentos sensíveis.
- Redução de Perdas e Prejuízos: Além disso, evita perdas financeiras causadas pela paralisação de máquinas, perda de produtos refrigerados ou interrupção de sistemas de irrigação.
- Segurança e Tranquilidade: Adicionalmente, elimina a necessidade de deslocamento de um funcionário em condições adversas para ligar o gerador manualmente.
- Instalação Rápida e de Baixo Custo: Por fim, a tecnologia sem fio elimina a necessidade de obras civis caras para a passagem de cabos de comando entre o quadro principal e o gerador.
Onde Aplicar o Acionamento Automático de Gerador Sem Fio?
Esta automação é ideal para qualquer cenário que demande energia contínua, especialmente onde o gerador está distante do ponto de entrada da rede. De fato, o acionamento automático de gerador sem fio é perfeito para:
- Propriedades Rurais: Para garantir o funcionamento de pivôs de irrigação, sistemas de ordenha, refrigeração de leite e bombas d’água.
- Indústrias e Galpões: Para manter a linha de produção ativa, evitando paradas que geram grandes prejuízos.
- Clínicas e Hospitais: Para assegurar a operação de equipamentos médicos vitais.
- Condomínios: Para manter o funcionamento de elevadores, portões, iluminação de emergência e sistemas de segurança.
Como o Acionamento Automático de Gerador Sem Fio Funciona na Prática
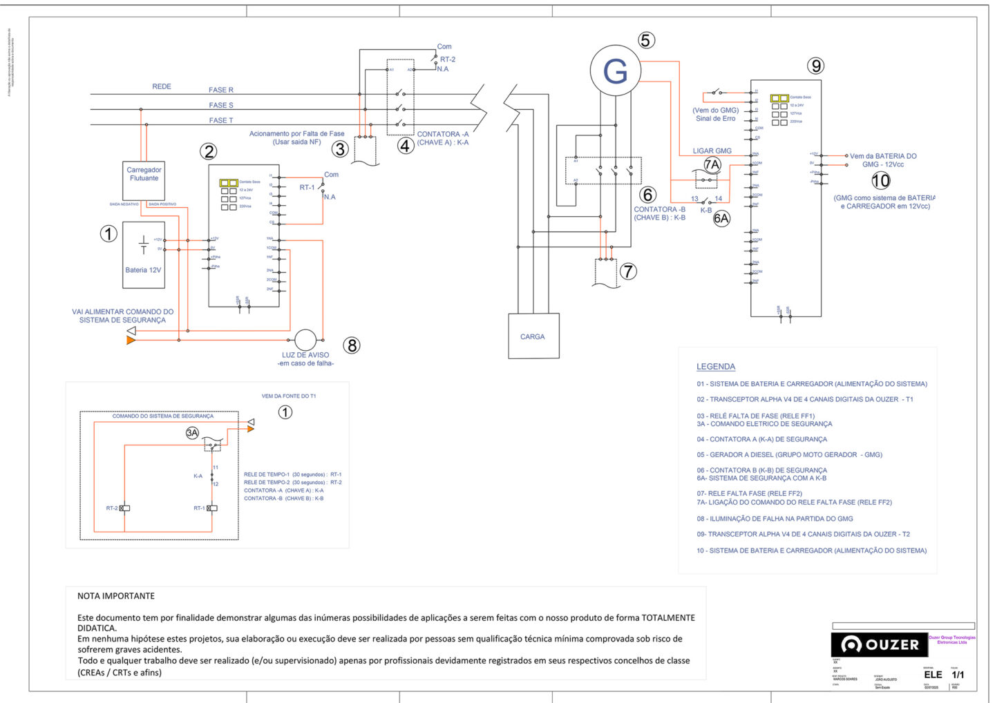
A aplicação utiliza um par de Transceptores Alpha para criar o link de rádio. No entanto, a inteligência do sistema reside na lógica de contatores e relés que garantem uma operação à prova de falhas.

Cenário 1: Queda da Energia da Concessionária
Etapa 1: Falha e Desconexão Imediata
Inicialmente, quando a energia da concessionária cai, a Contatora K-A perde sua alimentação e abre, desconectando a propriedade da rede. Ao mesmo tempo, o Relé Falta de Fase RFF-1 detecta a falha.
Etapa 2: Intertravamento e Temporização
O sistema só inicia a partida após confirmar que a Contatora K-A está aberta. Em seguida, um Relé de Tempo (RT-1) aguarda alguns segundos para confirmar que a queda é real.
Etapa 3: Comando Sem Fio e Segunda Verificação
Depois da contagem, o Transceptor T1 envia o sinal de partida para o Transceptor T2. O comando só é executado se um segundo Relé (RFF-2) confirmar que a rede está, de fato, sem energia.
Etapa 4: Partida e Autossustentação
Finalmente, o gerador recebe o comando e dá a partida. A energia gerada alimenta a Contatora K-B, que energiza a propriedade e cria um “contato de selo”, mantendo o gerador funcionando.
Cenário 2: Retorno da Energia da Concessionária
Etapa 1: Detecção e Desligamento do Gerador
O RFF-1 percebe a volta da energia e comanda o desligamento do gerador através dos Transceptores. Como resultado, a Contatora K-B abre e o gerador para.
Etapa 2: Temporização de Segurança
Neste momento, a propriedade fica brevemente sem energia, enquanto o sistema aguarda um Relé de Tempo (RT-2) contar cerca de 30 segundos para garantir a estabilidade da rede.
Etapa 3: Reconexão e Bloqueio Final
Após a espera, o RT-2 comanda o fechamento da Contatora K-A. A energia da concessionária volta a alimentar a propriedade e, ao mesmo tempo, um intertravamento elétrico e um segundo Rele falta de fase (RFF-2) bloqueia o circuito, impedindo que o gerador ligue acidentalmente.
Lista de Componentes Utilizados no Sistema
Para implementar um sistema de acionamento automático de gerador sem fio seguro e confiável, os seguintes componentes são essenciais:
- 2x Transceptores Alpha V4 da Ouzer (T1 e T2)
- 2x Sistemas de Bateria e Carregador
- 2x Relés Falta de Fase (RFF-1 e RFF-2)
- 2x Contatoras de Segurança (K-A e K-B)
- 1x Conjunto de Relés de Tempo (RT-1 e RT-2)
- 1x Grupo Motor Gerador (GMG)
O Equipamento por Trás da Solução: Transceptor Alpha V4
A confiabilidade desta aplicação de missão crítica é garantida pelas características industriais do Transceptor Alpha V4.
- Confiabilidade Extrema: Equipado com a tecnologia Always ON™, o sistema não trava por erros lógicos ou panes elétricas.
- Longo Alcance Real: Com alcance de até 56 km com antenas Yagi, cobre facilmente qualquer distância em sua propriedade.
- Alimentação Inteligente: O Transceptor no gerador se alimenta da própria bateria de 12V do motor, assegurando que ele esteja sempre energizado.
- Sinal de Rádio Robusto: A tecnologia de transmissão do Alpha é imune a interferências, pois trabalha abaixo do nível de ruído ambiente, garantindo a comunicação mesmo durante tempestades.
Acionamento Automático de Gerador Sem Fio: Garanta Energia Sem Interrupções
Em conclusão, o acionamento automático de gerador sem fio com o Transceptor Alpha não é apenas uma melhoria, é uma modernização estratégica. É a forma mais eficiente e econômica de garantir que sua empresa ou propriedade nunca pare por uma queda de energia.
Proteja seu negócio contra imprevistos. Fale com nossos especialistas e descubra como esta solução pode ser a resposta definitiva para a sua necessidade.