Saiba como o Transceptor Alpha cria uma ponte sem fio para comandar e monitorar seus equipamentos a longas distâncias. Essa tecnologia elimina falhas e, acima de tudo, os altos custos do cabeamento físico.
No universo da automação industrial, a integração remota de CLP e IHM é sinônimo de eficiência. De fato, a capacidade de comandar e monitorar processos distantes a partir de uma única sala de controle otimiza a mão de obra, aumenta a segurança e agiliza a tomada de decisões. No entanto, a barreira física da distância sempre impôs um grande desafio: a necessidade de cabos.
A Ouzer quebra essa barreira com uma solução robusta e de altíssima confiabilidade. Basicamente, ela cria uma ponte de comunicação sem fio para sinais de CLP e IHM utilizando o Transceptor Alpha. Aqui apresentaremos um guia completo sobre como essa tecnologia funciona, suas vantagens e aplicações práticas. Além disso, mostraremos como ela pode revolucionar a forma como você gerencia suas operações remotas.
Entendendo os Termos: O que é CLP e IHM?
Antes de mergulharmos na solução, vamos esclarecer rapidamente os dois componentes centrais:
- CLP (Controlador Lógico Programável): Primeiramente, é um computador industrial ultra robusto. Ele recebe informações de sensores e comanda atuadores (como motores e válvulas), seguindo uma lógica pré-programada.
- IHM (Interface Homem-Máquina): Por outro lado, é o painel de controle (geralmente uma tela ou conjunto de botões). É onde um operador humano interage com o CLP, por exemplo, dando comandos e visualizando o status do processo.
Vantagens da Integração Remota de CLP e IHM
Utilizar o Transceptor Alpha para criar um link de rádio controle oferece benefícios que vão muito além da simples eliminação de fios.
Redução Drástica de Custos
A economia é o benefício mais imediato. De início, elimina-se 100% dos custos com cabos de comunicação industrial, eletrodutos e canaletas. Adicionalmente, evitam-se as caras e demoradas obras civis para a passagem dessa infraestrutura.
Flexibilidade e Escalabilidade
Mudar um equipamento de lugar ou adicionar um novo ponto de controle remoto deixa de ser um projeto complexo. Como resultado, a expansão do sistema de automação torna-se rápida, fácil e barata com a solução sem fio.
Aumento da Segurança Operacional
Operadores podem comandar equipamentos localizados em áreas de difícil acesso ou perigosas a partir de uma sala de controle segura. Além disso, elimina-se o risco de falha por rompimento de cabos.
Confiabilidade Superior
A tecnologia de rádio do Transceptor Alpha foi projetada para ambientes industriais. Isso porque ela possui alta imunidade a interferências eletromagnéticas e um sinal robusto que garante a comunicação em qualquer condição.
Onde Aplicar a Solução de Controle Remoto para CLP?
Esta tecnologia é ideal para qualquer cenário que exija comando e monitoramento a distância. Consequentemente, ela abre um leque de oportunidades para otimização de processos. Veja alguns exemplos práticos:
Saneamento
Para o controle remoto de estações elevatórias de esgoto (EEEs) e o acionamento de válvulas motorizadas em adutoras. Igualmente, é útil para o comando de bombas submersas e sistemas de dosagem química em reservatórios distantes.
Mineração
Para o comando de correias transportadoras e bombas de drenagem em cavas remotas. Também para o acionamento de sistemas de ventilação subterrâneos e partida de britadores ou peneiras em pontos afastados.
Agronegócio
Para a automação de estações de bombeamento para pivôs centrais e acionamento de secadores em silos. Ademais, para o controle de alimentadores automáticos ou climatização em grandes aviários ou pocilgas.
Indústria
Para o acionamento de máquinas e esteiras em locais de difícil acesso, comando de exaustores e partida de misturadores. Finalmente, para o acionamento de sistemas de ar comprimido auxiliares.
Infraestrutura e Logística
Para o acionamento de pontes rolantes em pátios e controle de cancelas em centros de distribuição. Assim como para o comando de sistemas de sinalização em pátios de manobra.
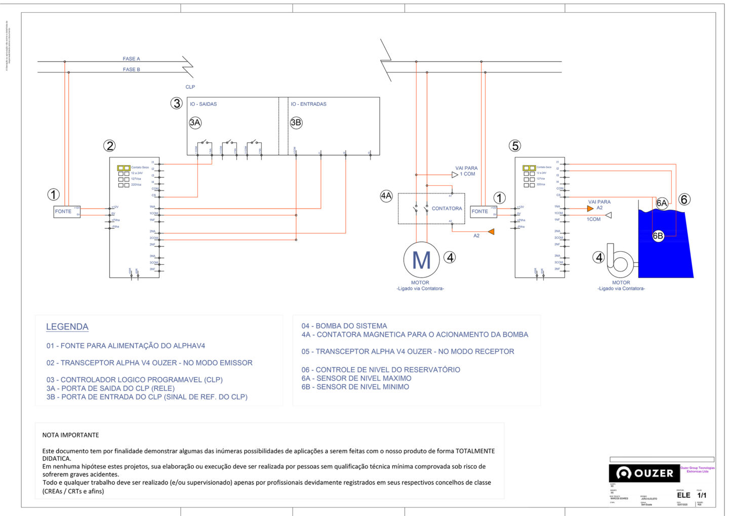
Como Funciona na Prática (Controle em Malha Fechada)
Para ilustrar o poder desta solução, vamos usar o exemplo prático de um CLP que controla o nível de água de um reservatório remoto. A solução utiliza dois Transceptores Alpha: um posicionado no painel de comando, que chamaremos de “Transceptor da Base”, e outro junto ao equipamento remoto, o “Transceptor do Reservatório”. Como o próprio nome “Transceptor” indica (Transmissor + Receptor), ambos os aparelhos enviam e recebem sinais, criando uma comunicação de mão dupla para um controle total do processo.

Etapa 1: Leitura dos Sensores no Reservatório
No Transceptor do Reservatório, os sensores de nível (mínimo e máximo) são ligados em suas entradas. Portanto, sua função neste momento é transmitir o status do nível da água para a base.
Etapa 2: Decisão do CLP na Base
Em seguida, o Transceptor da Base recebe a informação de nível e a entrega para as entradas do CLP. A partir daí, o CLP processa os dados e toma uma decisão conforme sua programação.
Etapa 3: Envio do Comando da Base para o Reservatório
Quando o CLP detecta o nível mínimo, por exemplo, ele ativa uma de suas saídas, que está conectada a uma entrada do Transceptor da Base. Nesse caso, sua função é transmitir o comando “Ligar Bomba”.
Etapa 4: Acionamento da Bomba no Reservatório
Depois disso, o Transceptor do Reservatório recebe o comando da base e ativa sua saída a relé para ligar a bomba através de um contator.
Etapa 5: Envio do Comando de Desligar e Conclusão do Ciclo
Da mesma forma, quando o sensor de nível máximo informa ao CLP (via Transceptores) que o reservatório está cheio, o CLP desativa sua saída. O Transceptor da Base transmite este novo estado e, finalmente, o Transceptor do Reservatório desativa sua saída a relé, desligando a bomba de forma segura.
O resultado é um sistema de controle em malha fechada, onde o CLP não só comanda, mas também recebe o status do processo. Em resumo, tudo de forma confiável e sem fio.
Lista de Componentes Utilizados
- 2x Transceptores Alpha V4 da Ouzer
- 1x Controlador Lógico Programável (CLP)
- 2x Sensores de Nível
- 1x Contator Magnético
- 2x Fontes de alimentação 12 Vcc
- 1x Motobomba
O Equipamento por Trás da Solução: Transceptor Alpha V4
Em essência, a ponte de comunicação sem fio descrita neste artigo é viabilizada pelo Transceptor Alpha V4, um equipamento desenvolvido para as mais exigentes aplicações industriais e do agronegócio. Suas principais características incluem:
- Longo Alcance: Comunicação estável por até 8 km com antenas padrão (expansível para 56 km com antenas Yagi).
- Imunidade a Ruído: Tecnologia de rádio que opera abaixo do nível de ruído ambiente, sendo assim ideal para plantas industriais.
- Display OLED Integrado: Facilita a configuração, o pareamento e o diagnóstico em campo, mostrando a força do sinal em tempo real.
Recursos Avançados e Confiabilidade
- Flexibilidade de I/O: O equipamento está disponível em modelos de 1 ou 4 canais (entradas/saídas) digitais independentes.
- Robustez Industrial: Possui gabinete com proteção IP65, resistente a poeira e jatos d’água, pronto para operar em qualquer ambiente.
- Tecnologias de Confiabilidade: Por fim, é equipado com os sistemas Always ON™ (anti-travamento) e Chaotic Send™ (comunicação garantida em acionamentos simultâneos).
Um Novo Nível de Automação
Em suma, a integração remota de CLP e IHM não precisa mais ser um projeto caro, demorado e frágil. Com o Transceptor Alpha da Ouzer, você cria uma rede de controle sem fio robusta, confiável e flexível. Isso permite que sua automação alcance qualquer ponto da sua planta industrial com segurança e um custo-benefício imbatível.
Fale com nossos especialistas e descubra como o Transceptor Alpha pode eliminar os cabos e as dores de cabeça do seu próximo projeto.