Veja como o Transceptor Alpha amplia a cobertura de sensores de movimento (PIR), permitindo proteger pátios, corredores externos e áreas remotas com notificação instantânea.
Como detectar a presença de um intruso em pátios abertos ou na entrada de uma estrada rural de forma imediata e confiável? Sensores de movimento (PIR) são excelentes para isso, no entanto, sua aplicação sempre foi limitada pelo cabeamento. Passar fios por longas distâncias é caro, complexo e vulnerável. Para quebrar essa barreira, a Ouzer apresenta a solução definitiva: um sistema de sensor de movimento sem fio de longo alcance, utilizando o Transceptor Alpha como ponte de comunicação.
Este guia, portanto, mostrará como essa tecnologia permite posicionar sensores de movimento exatamente onde você precisa, criando um perímetro de segurança inteligente e proativo.
Entendendo o Sensor de Movimento Sem Fio de Longo Alcance (PIR)
Um sensor de movimento PIR (Infravermelho Passivo) é um dispositivo eletrônico que detecta a presença em um determinado ambiente. De fato, ele funciona medindo a radiação infravermelha (o calor) emitida pelos corpos. Consequentemente, quando uma pessoa ou veículo entra em seu campo de visão, o sensor detecta a variação de calor e ativa um sinal de alarme. É, sem dúvida, uma das tecnologias mais confiáveis para a detecção de movimento.
Vantagens do Sensor de Movimento Sem Fio de Longo Alcance
Utilizar o Transceptor Alpha para libertar o sensor PIR das amarras dos cabos oferece vantagens estratégicas para a segurança de qualquer propriedade.
- Liberdade Total de Instalação: Primeiramente, o sistema permite posicionar os sensores de movimento nos pontos ideais para a detecção, e não apenas onde é conveniente passar um cabo.
- Custo-Benefício Superior: Além disso, a solução elimina os custos proibitivos de obras civis e passagem de centenas de metros de cabo, tornando a segurança de áreas remotas financeiramente viável.
- Alta Confiabilidade: Você combina a precisão de um sensor de movimento com fio de alta qualidade com a robustez da transmissão de rádio industrial do Transceptor Alpha.
- Autonomia Energética: Adicionalmente, a solução permite criar um ponto de monitoramento 100% autônomo, utilizando baterias para o sensor e pilhas de longa duração para o Transceptor.
Onde Aplicar o Sensor de Movimento Sem Fio de Longo Alcance?
Esta solução é ideal para o monitoramento de presença em áreas abertas ou edifícios remotos, onde a detecção precoce de movimento é crucial. Por exemplo:
- Indústria e Logística: Em pátios de armazenamento de matéria-prima, estacionamentos de caminhões e corredores externos entre galpões.
- Agronegócio: Em entradas de fazendas, ao redor de silos e galpões de máquinas para detectar a aproximação de pessoas ou veículos.
- Condomínios: Para monitorar áreas de lazer fora do horário de uso ou faixas de perímetro vulneráveis.
- Obras e Canteiros: Para detectar invasões em áreas de armazenamento de ferramentas e materiais durante a noite.
Como o Sistema Funciona na Prática
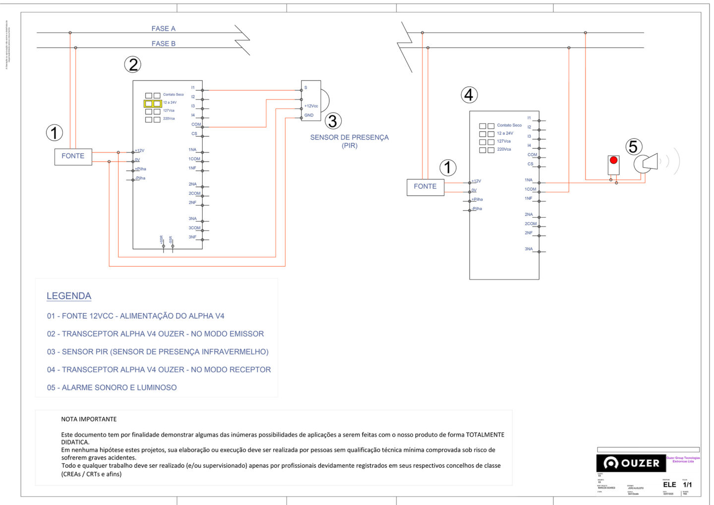
A aplicação cria uma “extensão sem fio” de uma zona da sua central de alarme, permitindo que um sensor de movimento opere a quilômetros de distância.

Etapa 1: A Detecção do Movimento
Inicialmente, um intruso entra na área protegida e o sensor PIR (03) detecta a variação de calor.
Etapa 2: O Gatilho do Sensor
Em seguida, o relé interno do sensor PIR ativa sua saída de alarme, que é um contato seco.
Etapa 3: A Transmissão Sem Fio
Esta saída de alarme se conecta à entrada digital do Transceptor Alpha Emissor (02). Ao detectar o sinal do PIR, o Transceptor transmite instantaneamente um comando de rádio para a base.
Etapa 4: O Alerta na Central
Finalmente, o Transceptor Alpha Receptor (04), localizado junto à sua central de alarme, recebe o sinal e ativa sua saída a relé, que por sua vez aciona um sinalizador sonoro, luminoso (05), ou uma zona de alarme.
Lista de Componentes Utilizados
- 2x Transceptores Alpha V4 da Ouzer
- 1x Suporte com Pilhas ou Fonte 12V (para o Emissor)
- 1x Bateria 12Vcc (para o Sensor PIR)
- 1x Fonte de Alimentação 12 Vcc (para o Receptor)
- 1x Sensor de Presença (PIR) com saída a relé
- Aviso Sonoro e/ou Central de Alarme existente
O Equipamento por Trás do Alarme de Movimento Remoto: Transceptor Alpha V4
A capacidade de transformar qualquer sensor com fio em um dispositivo de longo alcance é possível graças a características únicas do Transceptor Alpha V4.
- Autonomia com Pilhas: O Transceptor Emissor pode operar por anos com um único jogo de pilhas, garantindo vigilância ininterrupta.
- Longo Alcance Insuperável: Enquanto sensores sem fio comuns alcançam dezenas de metros, o Transceptor Alpha alcança quilômetros.
- Compatibilidade Universal: A entrada de contato seco funciona com qualquer sensor PIR com fio do mercado, e a saída a relé se integra a qualquer painel de alarme.
- Robustez para Uso Externo (IP65): Por fim, o gabinete vedado protege o equipamento contra sol, chuva e poeira, permitindo a instalação em ambientes externos.
Crie um Perímetro de Segurança Inteligente com Detecção de Movimento
Em suma, monitorar grandes áreas abertas deixou de ser um projeto caro e complexo. Com o Transceptor Alpha, você pode usar os melhores sensores do mercado e posicioná-los exatamente onde precisa, criando um perímetro de segurança inteligente e proativo.
Não deixe suas áreas externas desprotegidas. Fale com nossos especialistas e descubra como criar uma barreira de detecção com um sensor de movimento sem fio de longo alcance.