Aprenda a usar o Transceptor Alpha para acionar a irrigação com um botão, garantir o desligamento automático da água e ser alertado sobre o fim do recolhimento, trazendo controle e economia para sua operação.
No dia a dia do campo, a irrigação por carretel é uma ferramenta poderosa, no entanto, sua operação tradicional consome tempo e recursos preciosos. A necessidade de deslocamentos constantes para ligar e, principalmente, desligar a motobomba gera ineficiência. Um simples atraso, por exemplo, pode desperdiçar água e combustível. A solução para otimizar esse processo é a automação para carretel de irrigação sem fio, uma tecnologia que a Ouzer apresenta em detalhes neste guia.
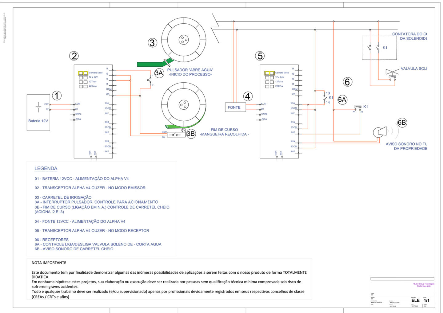
Utilizando o Transceptor Alpha, este sistema combina controle manual remoto com a segurança do desligamento automático, trazendo mais produtividade para sua lavoura.
Entendendo a Automação para Carretel de Irrigação (Controle Híbrido)
Antes de mais nada, é importante entender o conceito principal por trás desta inovação.
- Carretel de Irrigação Autopropelido: Trata-se de um sistema móvel onde uma longa mangueira enrolada em um carretel é tracionada por um carrinho aspersor. A própria força da água, então, aciona um mecanismo que recolhe lentamente a mangueira.
- Controle Híbrido (Manual + Automático): A solução ideal combina o melhor dos dois mundos. O controle manual permite ao operador iniciar o processo remotamente com total flexibilidade, enquanto o controle automático assume a responsabilidade de finalizar o ciclo de forma precisa e segura.
Vantagens da Automação para Carretel de Irrigação
Combinar o acionamento remoto com o desligamento automático eleva, de fato, a operação do carretel a um novo patamar de eficiência.
- Controle Total na Ponta dos Dedos: Primeiramente, o operador pode ligar a água diretamente do carretel, permitindo uma verificação final do posicionamento e dos aspersores antes de se afastar.
- Economia Máxima de Água e Energia: Além disso, o desligamento automático corta o fornecimento de água no momento exato em que a irrigação termina, eliminando completamente o desperdício.
- Otimização da Mão de Obra: O operador não perde mais tempo com idas e vindas. Adicionalmente, ele é notificado por um alarme sonoro assim que o trabalho termina, podendo se dedicar a outras tarefas.
- Operação Noturna Segura e Confiável: Por fim, o sistema possui uma lógica robusta que permite realizar a irrigação durante a noite — período de menor evaporação e maior eficiência — com total tranquilidade.
Onde Aplicar a Automação para Carretel de Irrigação?
Esta solução de controle híbrido é ideal para qualquer produtor rural que utilize carretéis de irrigação e queira maximizar sua eficiência. A automação para carretel de irrigação é perfeita para:
- Propriedades que praticam a irrigação de culturas como milho, soja, feijão, cana-de-açúcar e pastagens.
- Fazendas com múltiplos carretéis, onde o controle manual individual se torna impraticável.
- Projetos em áreas com relevo acidentado, onde a motobomba fica distante e sem visibilidade do carretel.
Como Funciona a Automação para Carretel de Irrigação na Prática
A aplicação utiliza um par de Transceptores Alpha para criar um sistema completo, com um acionamento manual para iniciar e um processo automático para finalizar.

Momento 1: Início Manual do Ciclo de Irrigação
O processo de irrigação com carretel começa com a preparação no campo. O operador utiliza um trator para levar o carrinho aspersor até o ponto mais distante da lavoura, desenrolando toda a mangueira do carretel. Com o equipamento devidamente posicionado e pronto para o recolhimento, a etapa de acionamento pode começar.
Etapa 1: O Comando no Campo
Primeiramente, o operador, já no campo, pressiona o pulsador de abertura de água (3A) instalado no módulo emissor.
Etapa 2: A Transmissão do Comando de Acionamento
Em seguida, o botão aciona a entrada 1 (I1) do transceptor emissor. Este, por sua vez, envia um sinal de rádio específico do canal 1 para o módulo receptor.
Etapa 3: A Abertura da Válvula
Como resultado, o receptor recebe o comando e aciona sua saída 1, que comanda a contatora (K1). A contatora então arma e abre a válvula solenoide, liberando o fluxo de água para iniciar a irrigação.
Momento 2: Finalização Automática do Ciclo
Etapa 4: A Detecção do Fim do Recolhimento Com o retorno completo do carrinho aspersor, acionando o sensor de fim de curso (3B), que indica que a mangueira foi totalmente recolhida.
Etapa 5: A Transmissão do Comando Duplo de Finalização O próprio sensor (3B) é responsável por acionar simultaneamente as entradas 2 (I2) e 3 (I3) do transceptor emissor. A partir disso, o equipamento envia dois sinais de rádio distintos para o receptor.
Etapa 6: A Ação Dupla e Simultânea na Base Dois comandos chegam então ao receptor, que processa os sinais e executa as ações simultâneas para concluir o processo de forma segura:
- Corte da Água: O sinal do canal 2 comanda o desligamento da saída 1. Isso faz com que a contatora desarme e a válvula solenoide feche, interrompendo o fluxo de água.
- Alerta Sonoro: Ao mesmo tempo, o sinal do canal 3 comanda o acionamento da saída 3, que liga o aviso sonoro (6B) para notificar o operador sobre o término da tarefa.
Observação:
Para propriedades com uma motobomba dedicada ao carretel, o mesmo sistema pode ser usado para o acionamento direto do motor. Nesse caso, a saída a relé do Transceptor 2, em vez de ser conectada à válvula solenoide, é conectada ao contator de partida da motobomba, proporcionando uma economia ainda maior de energia.
O Equipamento por Trás da Automação: Transceptor Alpha V4
Esta automação avançada é possível graças à flexibilidade do Transceptor Alpha V4.
- Múltiplos Canais Independentes: A capacidade de ler múltiplas entradas (botão, sensor) e comandar múltiplas saídas (válvula, alarme) de forma independente é o coração desta solução.
- Autonomia e Flexibilidade de Energia: A alimentação do Emissor por bateria permite total mobilidade do carretel no campo.
- Robustez e Proteção IP65: O gabinete vedado garante durabilidade sob as condições severas do campo.
- Longo Alcance Real: A tecnologia de rádio garante a comunicação entre o carretel e a motobomba, mesmo a quilômetros de distância.
Controle e Automação Total para sua Irrigação
Em suma, a solução de controle híbrido com o Transceptor Alpha oferece o que há de mais moderno para a gestão de carretéis. Ela combina a flexibilidade do controle manual no campo com a segurança e economia do desligamento automático.
Assuma o controle total da sua irrigação. Fale com nossos especialistas e descubra como esta solução de automação para carretel de irrigação pode otimizar seu tempo e seus recursos.