Aprenda como estender o alcance do seu controlador de irrigação, acionando múltiplas válvulas solenoides a quilômetros de distância com o Transceptor Alpha.
O controle de válvulas de irrigação sem fio representa uma revolução na gestão de grandes propriedades, eliminando a necessidade de passar cabos por longas distâncias. Imagine o desafio de não apenas comandar uma bomba em um reservatório remoto, mas também de saber o nível da água em tempo real sem uma segunda infraestrutura. A solução tradicional, com valas e cabos, é cara, demorada e de difícil manutenção.
Para eliminar essa barreira, a Ouzer apresenta uma solução completa: um sistema de comando e monitoramento que utiliza o Transceptor Alpha para criar uma comunicação bi-direcional, inteligente e confiável.
Entendendo o Controle de Válvulas de Irrigação Sem Fio
Diferente de um simples acionador, um sistema de controle de válvulas de irrigação sem fio com monitoramento permite uma gestão de mão dupla.
- Controle (Mesa → Campo): Primeiramente, da sua base de operações, você envia comandos para ligar e desligar equipamentos no campo, como uma bomba principal ou uma válvula solenoide que libera água para um setor.
- Monitoramento (Campo → Mesa): Ao mesmo tempo, sensores instalados no campo (como sensores de nível) enviam informações de status de volta para a sua base, acendendo luzes indicadoras que mostram, por exemplo, se o nível de um reservatório está alto ou baixo.
Vantagens do Sistema Bi-direcional
Utilizar o Transceptor Alpha para criar essa ponte de rádio bi-direcional oferece, acima de tudo, benefícios transformadores para grandes projetos.
- Redução Drástica de Custos: O benefício mais impactante é, sem dúvida, a eliminação total da necessidade de cabos de comando e sinalização, economizando em materiais e, principalmente, em obras civis.
- Gestão Completa e em Tempo Real: Além de controlar, você passa a monitorar. Saber o nível do reservatório antes de ligar uma bomba, por exemplo, evita danos ao equipamento e otimiza o uso da água.
- Manutenção Simplificada: A solução elimina o ponto mais comum de falhas em sistemas de irrigação: o rompimento de cabos subterrâneos. Consequentemente, a manutenção se torna mais simples e o sistema, mais confiável.
- Operação Intuitiva: Por fim, o sistema permite criar uma mesa de controle simples e visual, com botões para acionar e luzes para indicar o status, tornando a operação do dia a dia muito mais fácil.
Onde Aplicar o Controle de Válvulas de Irrigação Sem Fio?
Este sistema de comando e feedback a longas distâncias é ideal para qualquer projeto que exija controle e monitoramento remoto. De fato, o controle de válvulas de irrigação sem fio é perfeito para:
- Agronegócio: Em fazendas para o controle de bombas de poços artesianos e o monitoramento do nível de reservatórios.
- Indústria: Para o controle de válvulas de processos industriais e o monitoramento de tanques de armazenamento.
- Saneamento: Para acionar comportas ou bombas em estações remotas e monitorar o nível de reservatórios de tratamento.
- Paisagismo e Campos Esportivos: Em campos de golfe e grandes parques para um controle eficiente dos setores de irrigação.
Como o Sistema Funciona na Prática (Controle Bi-direcional)
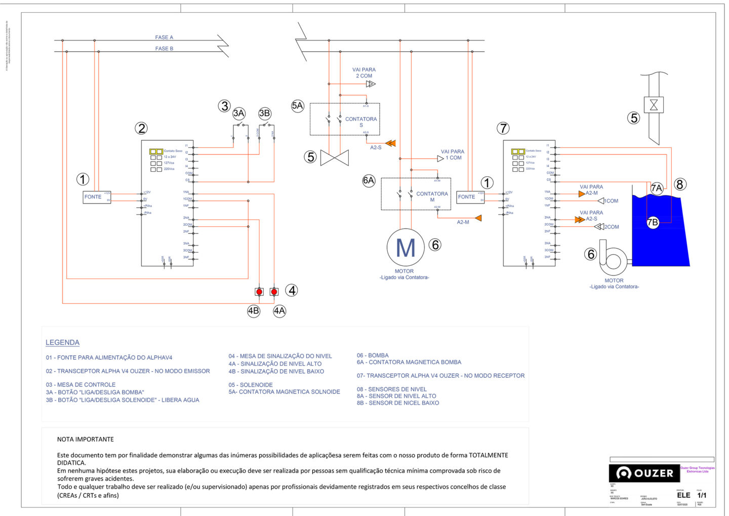
A aplicação utiliza um par de Transceptores Alpha para criar um link de rádio de mão dupla entre a mesa de controle (Emissor) e os equipamentos de campo (Receptor).

Ação 1: O Comando (da Mesa para o Campo)
Inicialmente, o operador pressiona o botão “Ligar Bomba” (3A) na mesa de controle (03). Este botão, por sua vez, está ligado à entrada I1 do Transceptor Emissor (02), que transmite o comando “canal 1” via rádio. No campo, o Transceptor Receptor (07) recebe o sinal e ativa sua saída a relé S1, que então aciona a contatora (6A) da bomba (06), ligando-a.
Ação 2: O Feedback (do Campo para a Mesa)
Quando o nível da água no reservatório sobe e atinge o sensor de nível alto (8A), este sensor, que está ligado na entrada I1 do Transceptor Receptor (07), envia um sinal de volta. O Transceptor Emissor (02) na mesa de controle recebe este sinal e, como resultado, ativa sua saída S1, acendendo o sinaleiro de “Nível Alto” (4A). Assim, o operador tem a confirmação visual de que o reservatório está cheio.
Lista de Componentes Utilizados
- 2x Transceptores Alpha V4 da Ouzer
- 2x Fontes de Alimentação 12 Vcc
- Botões e Sinalizadores para a Mesa de Controle
- Sensores de Nível
- Contatoras Magnéticas
- Bomba e/ou Válvula Solenoide
Modernize e Simplifique seus Projetos de Irrigação
Em suma, o controle de válvulas de irrigação sem fio com o Transceptor Alpha elimina a maior barreira de custo e complexidade em projetos de grande escala. É a forma inteligente de garantir uma operação flexível, confiável e com total visibilidade do seu sistema.
Leve sua irrigação para o próximo nível. Fale com nossos especialistas e descubra como a tecnologia sem fio pode otimizar seu projeto.